
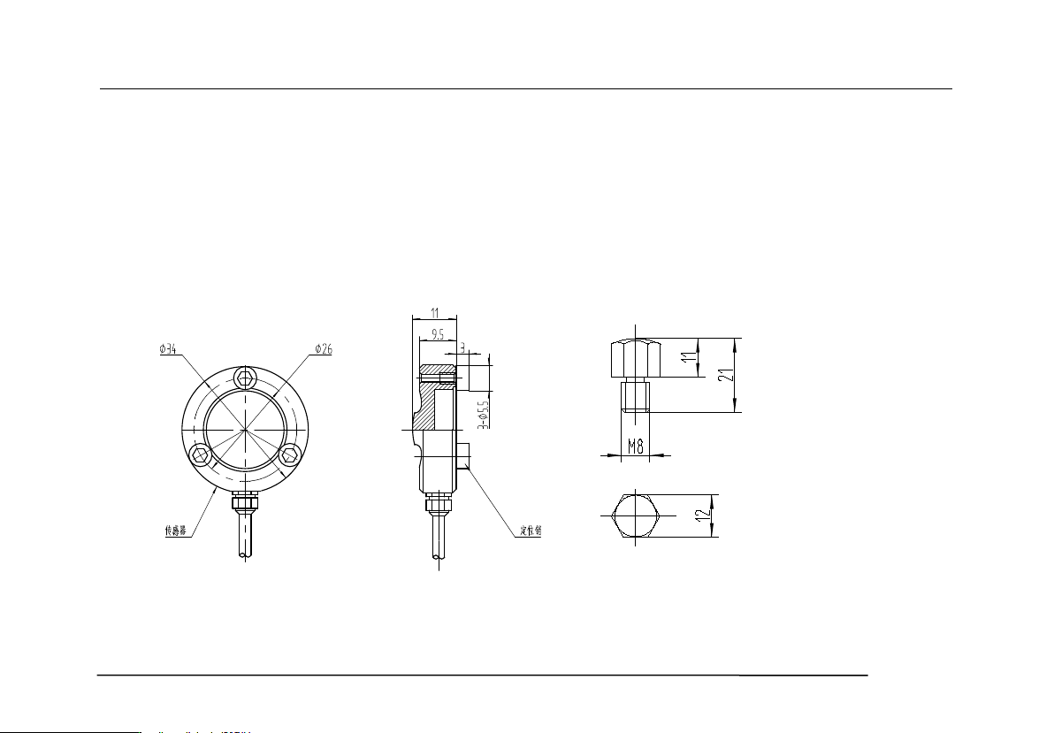
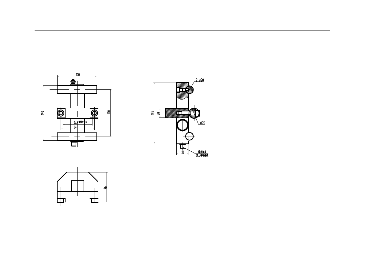
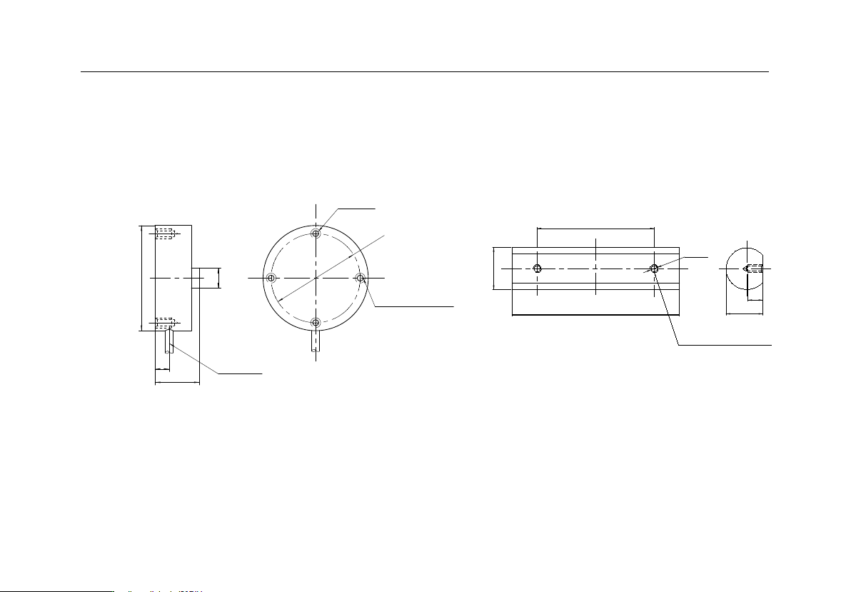
EWD-L-BMSJ4 intelligent elevator weighing device Manual
Page 3 of 30
the manual delivered with the product.
System Overview
一
.
“EWD-L-BMSJ4”The main features of the weighing device:
1. The normal work of the product, the direct display of the car internal payload, self-learning process is
simple.
2. Intelligent programming and control process, according to different customer needs, the controller output
of the 4-way switch signal in any one of the signal corresponding to the percentage of load and dynamic /
dynamic output adjustment, and the output simulation The amount of the way to modify.
3. Intelligent sensor equipment: the use of high-precision load intelligent sensor, direct detection of car load
changes;
4. Wide measurement range (payload can be manually set according to demand), high positioning accuracy,
intelligent temperature compensation.
5. Electrical performance in line with the "International Electrotechnical Commission (IEC)" standard
requirements;
6. The core uses high precision load cell and high performance single chip microcomputer. Can set all the
working parameters.
7. Unique programmable output signal control mode, suitable for a variety of activities of the car to mention
the elevator weighing signal on the demand.
8. With the working parameters of artificial fine-tuning correction ability, the elevator can be modified after
the artificial correction, so as to achieve the purpose of accurate measurement.
9. Unique sensor + controller design structure, wiring is simple.
10. Everything from the user point of view, easy to install, easy to debug, reduce the use of additional costs,
performance and high cost.
二
.
“EWD-L-BMSJ4”working principle:
With the continuous progress of elevator technology, elevator weighing device on its performance has been