
EWD-L-MSJ4 Series of intelligent elevator weighing device technical documents of the [user manual]
Page
27
—
3
System Overview
1.“EWD-L-MSJ4”The main features of the weighing device:
1. The normal work of the product, the direct display of the car internal payload, self-learning process is simple.
2. Intelligent programming and control process, according to different customer needs, the controller output of
the 4-way switch signal in any one of the signal corresponding to the percentage of load and dynamic / dynamic
output adjustment, and the output simulation The amount of the way to modify.
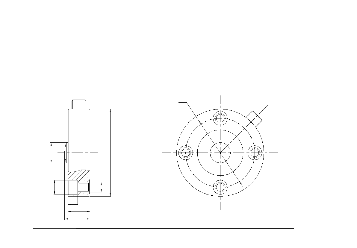
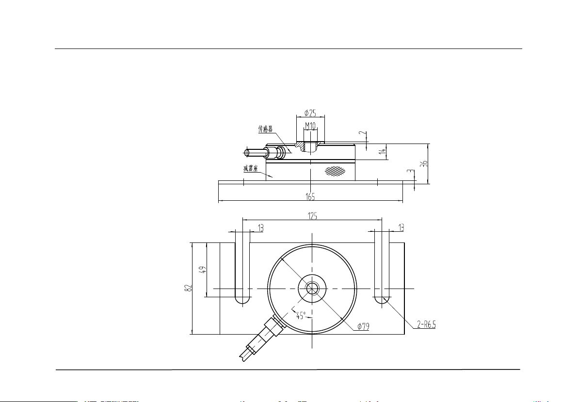
3. Intelligent sensor equipment: the use of high-precision load intelligent sensor, direct detection of car load
changes;
4. Wide measurement range (payload can be manually set according to demand), high positioning accuracy,
intelligent temperature compensation.
5. Electrical performance in line with the "International Electrotechnical Commission (IEC)" standard
requirements;
6. The core uses high precision load cell and high performance single chip microcomputer. Can set all the
working parameters.
7. Unique programmable output signal control mode, suitable for a variety of activities of the car to mention the
elevator weighing signal on the demand.
8. With the working parameters of artificial fine-tuning correction ability, the elevator can be modified after the
artificial correction, so as to achieve the purpose of accurate measurement.
9. Unique sensor + controller design structure, wiring is simple.
10. Everything from the user point of view, easy to install, easy to debug, reduce the use of additional costs,
performance and high cost.
2.“EWD-L-MSJ4”working principle:
With the development of elevator technology, the influence of elevator weighing device on its performance has
reached a point that cannot be ignored. Elevator The demand of high precision, high reliability and multi-function
of weighing device is imminent. In sensor technology and microcomputers constantly The development of today,
the use of high-precision sensors to detect the elevator car due to load changes caused by electrical signals. High