
EWD-L-MSJ4-X1Series of intelligent elevator weighing device technical documents of the [user manual]
Page
27
—
3
2019.11
System overview
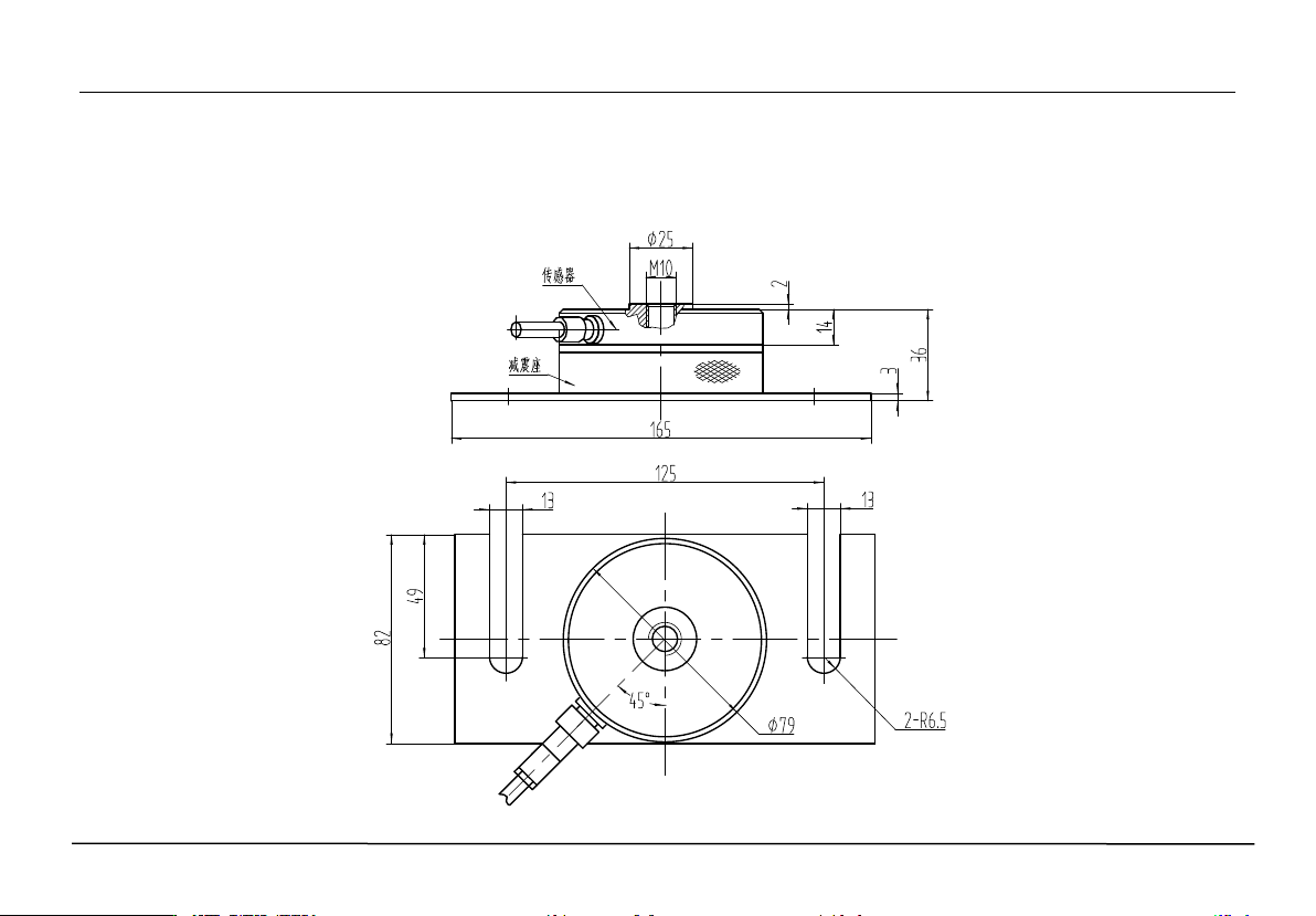
一. “EWD-L-MSJ4-X1”The main features of the weighing device:
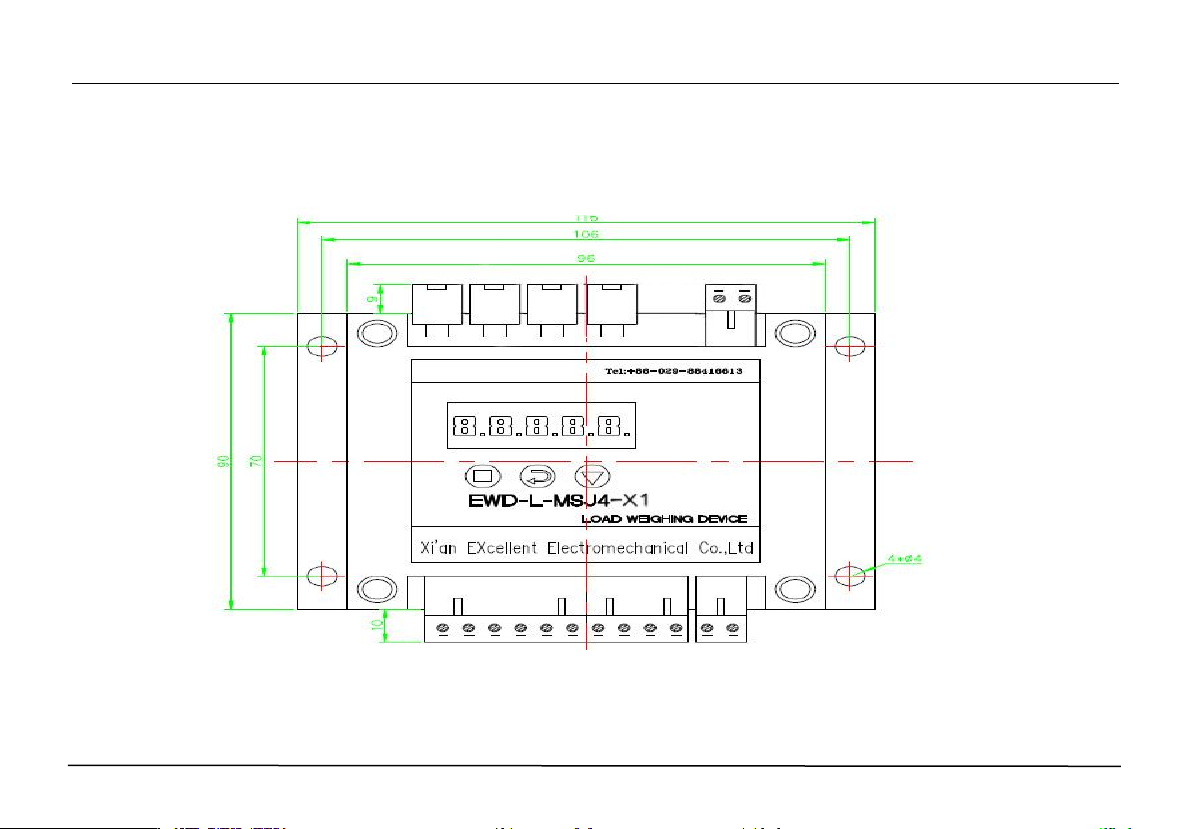
1. The normal work of the product, the direct display of the car internal payload, And can output to the external large screen
synchronous display of internal payload,self-learning process is simple.
2. Intelligent programming and control process, according to different customer needs, It is possible to adjust the percentage of
load corresponding to any one of the 4-channel switching signals output by the controller and the output of turn-off/turn-off, and
the output simulation The amount of the way to modify.
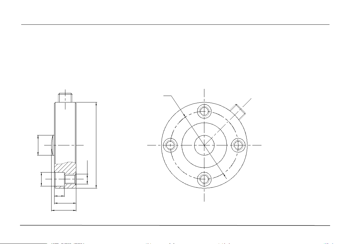
3. Intelligent sensor equipment: the use of high-precision load intelligent sensor, direct detection of car load changes;
4. Wide measurement range (payload can be manually set according to demand), high positioning accuracy, intelligent
temperature compensation.
5. Electrical performance in line with the "International Electrotechnical Commission (IEC)" standard requirements;
6. The core uses high precision load cell and high performance single chip microcomputer. Can set all the working parameters.
7. Unique programmable output signal control mode, suitable for a variety of activities of the car to mention the elevator
weighing signal on the demand.
8. With the working parameters of artificial fine-tuning correction ability, the elevator can be modified after the artificial
correction, so as to achieve the purpose of accurate measurement.
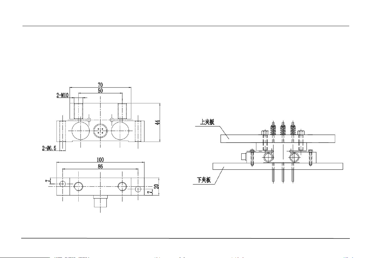
9. Unique sensor + controller+ display design structure, wiring is simple.
10. Everything from the user point of view, easy to install, easy to debug, reduce the use of additional costs, performance and
high cost.
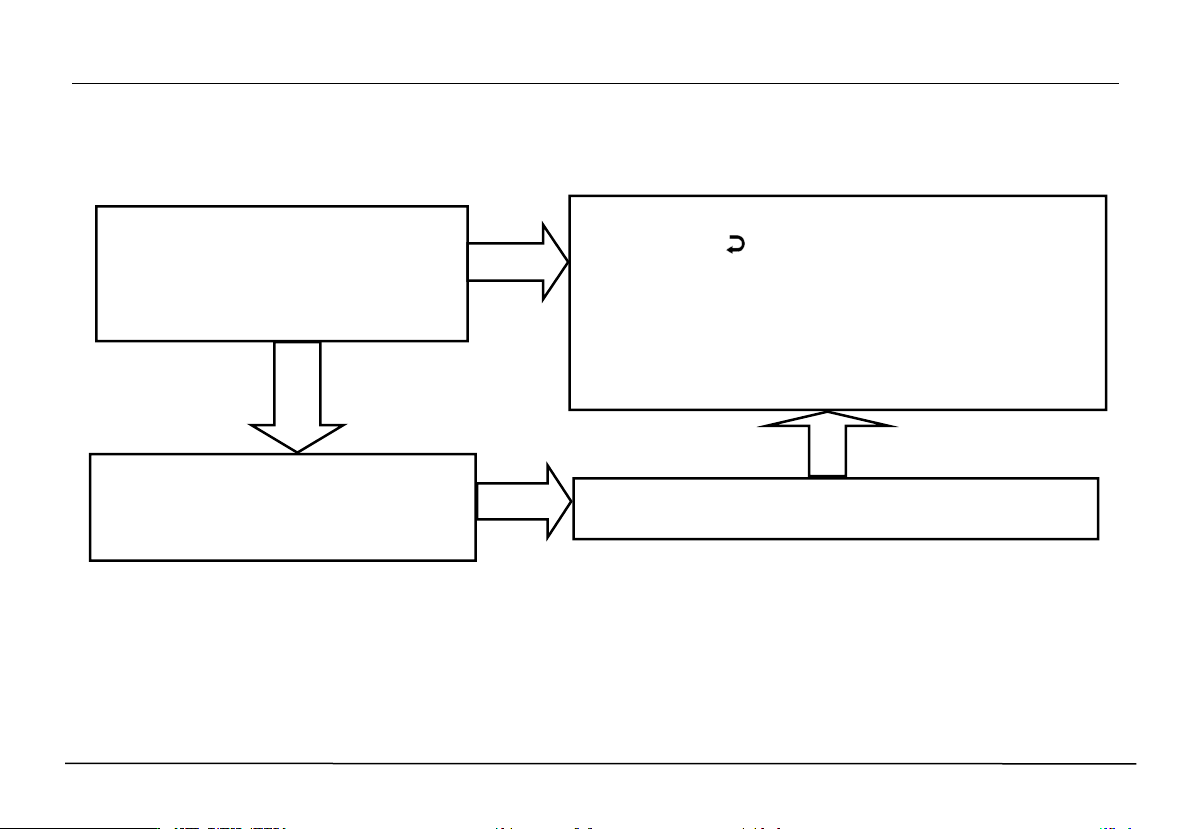
二. “EWD-L-MSJ4-X1”working principle:
With the continuous progress of elevator technology, elevator weighing device on its performance has been
to the point where it can not be ignored. Elevator on the weighing device of high precision, high reliability,
multi-functional needs are imminent. In the sensor technology and micro-computer continues to develop today,
the use of high accuracy sensor to detect the elevator car due to load changes caused by electrical signals.
High accuracy sensor,the use of serial communication technology for its long-distance high-precision
non-destructive transmission; sensor comes with 8 ~ 10m signal transmission cable; at the same time,the
microcontroller is used to carry out scientific calculation and processing,finally, the payload in the cage can be
displayed synchronously on the digital tube of the controller and the large external screen.it can realized the
function of weighing the effective load of the elevator car.