EWD-RL-BSJ3User's manual of technical documents of villa elevator weighing device
EWD-RL-BSJ3
Villa elevator overload device Manual
(Version2.2)
XIAN EXCELLENT ELECTROMECHANICAL CO., LTD
EWD-RL-BSJ3User's manual of technical documents of villa elevator weighing device
1
30
Note: This weighing device is suitable for traction drive or reel drive villa elevator, please read the following chapters carefully before use;
Statement: Due to technological progress, the company reserves the right to change the product; For technical specifications, refer to the
manual delivered with the product.
Table of Contents
Product Overview
1Product Appearance and inner structure
…………
Page 2
2System interface description
…………
Page 3
Installation & Adjustment
3Schematic Diagram for System Construction and Installing Method
…………
Page 5
4
Install Method of Sensor and Controller
…………
Page 5
5
Adjustment Method and Description of the System ( Autotune
Operation)
…………
Page 5
①.Initialization
…………
Page 6
②.
No Load Autotune Operation Mode
…………
Page 7
③.Rated Load Autotune Operation Mode
…………
Page 7
Implication and Adjustment Method
of the Operation Parameters
6、
Adjustment of the System Parameters
…………
Page 8
7
Explanation of the Meaning of Parameter P
…………
Page 9
Indicating Code Explanation
8Explanation of System Normal Operation Code
…………
Page 13
9
Explanation of the Code of Other Operations and Fault
…………
Page 13
How To Do?
10
Brief Analysis of Other Status
…………
Page 14
11How to re-do the "self-learning" operation of the weighing device?
…………
Page 16
12How to use 20% load for load self learning
…………
Page 16
System Characteristics
13Working princilple of the“EWD-RL-BSJ3” elevator load weighing
device
…………
Page 16
14Main characteristics
…………
Page 17
15Technical Specifications
…………
Page 17
Promise
…………
Page 19
Others
…………
Page 19
Attached Drawings
Attached Sheets
…………
P 21-30
EWD-RL-BSJ3User's manual of technical documents of villa elevator weighing device
2
30
System Overview
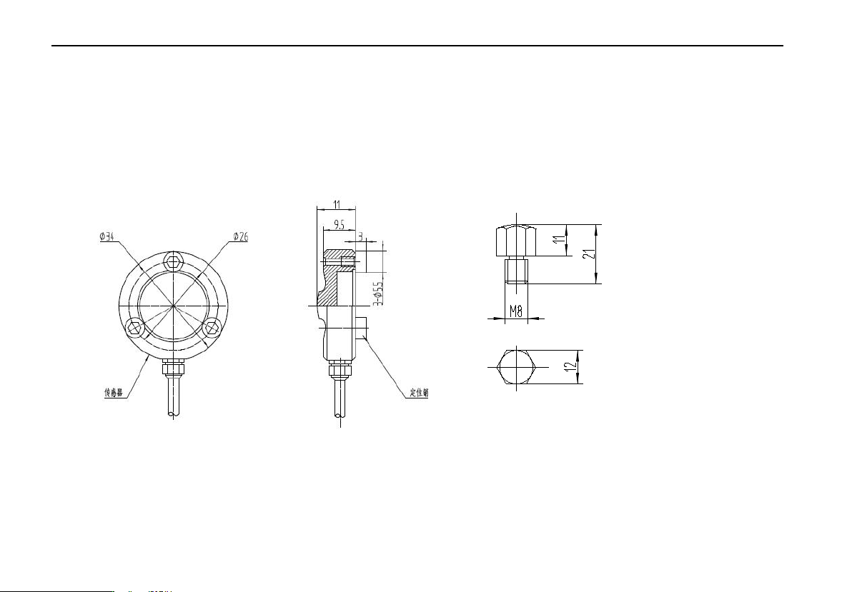
1.Product Appearance and inner structure
1.1 Diagram of the sensor appearance see figure[1]
EWD-RL-BSJ3User's manual of technical documents of villa elevator weighing device
Page
3
total
30
1.2 Sensor selection and installation
Sensor size and mounting mode: see attached page for details
Load
sensor
Model
Dimensions
Load
sensor
Model
Dimensions
EWD-RL-BSJ3User's manual of technical documents of villa elevator weighing device
Page
4
total
30
2. System interface description:
2.1 The schematic diagram of the system is shown in "figure [1]"
2.2 Interface description
Function
Explanation
PG
connect system sensor
PJ.1 ~2
J1light load output Dynamic open/close
Max loading CapacityDC/AC 48V/500mA
PJ.1 ~3
J2
full load output Dynamic open/close
PJ.1 ~4
J3over load output Dynamic open/close
PJ.5
Analog 0~10V Output
Being used for pre-torque compensation for
driving system
PJ.6
Analog com terminal
PM.1~2
+
For fuzzy intelligent compensation
compensation station deviation
-
PM.3~4
+
Used to lock system output
See: attached pictures.
-
PV
System power supply port
AC/DC 24V/150mA
Absolutely don’t connect the output terminals (except “PV”) of this device to the external power source directly and
the resulted permanent damage to the device is beyond our responsibility.
Installation and Adjustment
3. Schematic Diagram for System Construction and Installing Method:
EWD-RL-BSJ3User's manual of technical documents of villa elevator weighing device
Page
5
total
30
Schematic diagram of the whole machine: See Figure [1] for controller part; Sensor section attached
4. Install Method of Sensor and Controller:
Adjust traction ropes so that the pull of each rope keeps coincident.
The sensor is installed at the place of the elevator- car-side traction rope shackle according to Fig. [2] and refer to it
for more details.
Control Section should be installed in the control cabinet placed in machineroom
being away from equipments such
as the transformer, speed regulator of elevator electric control system. Under any condition, sensor and controller
should be far away from heat source.
It would be better not to put the connecting cable between sensor and controller in the same wire duct with dynamic
power of 110V or 220V.
Connect the sensor wiring terminal to PG terminal of the control, simultaneously, connect power line to PV
according to system requirement. Pay attention to the voltage level.
When no error is inspected, power on the system and the corresponding operation patterns will be displayed on the
control.
5.Adjustment Method and Description of the System ( Autotune Operation)
EWD-RL-BSJ3User's manual of technical documents of villa elevator weighing device
Page
6
total
30
EWD-RL-BSJ3User's manual of technical documents of villa elevator weighing device
Page
7
total
30
EWD-RL-BSJ3User's manual of technical documents of villa elevator weighing device
Page
8
total
30
System adjustment under other conditions
For following reasons, the parameters of this system need re-modifying in the way described above.
1) Elevator car decoration changing causes its dead weight change.
2) Larger unbalance appears among traction ropes.
3) Sensor of weighing device becomes flexible.
4) Overrunning at the top or at the bottom occurs.
Operation Parameters Adjustment and the Implication
6.System Operation Parameters Adjustment
Simultaneously press 【▲】and▼】on system control keypad to power on this moment PP will be displayed
aglimer, that means entering operation parameters modifying status.
Release【▲】and【▼】 buttonssystem will displayP*and**alternately. P*is an indication of system
operation parameters;〖**is the interior data value ofP*.
When displayingP*press
【▼】
indication of system operation increasespress
【▼】
indication decreases.
When displaying**〗,press
【▼】
data value increasespress
【▼】
data value decreases.
Release buttonssystem displays operation indication and configuring data alternately.
To modify other configuring datum, repeat the operation in item 3, item 4, and item 5.
At the moment when system displays P*Simultaneously press▲】and▼】system will save modified datum
for future use. This moment, system displaysPn for 1 second. System operation parameters modification of this
time is completed.
(Annotation* represents for a hexadecimal value of “09,AF”.)
ExampleModify parameter P1 to 10(the system effective load is 1000kg)
EWD-RL-BSJ3User's manual of technical documents of villa elevator weighing device
Page
9
total
30
Simultaneously press 【▲】and【▼】on system control keypad to power on this momentPPwill be displayed aglimer,
that means entering modifying status;
Release
【▲】
and
【▼】
buttonssystem will displayP0and**aglimer;
When displayingP0〗,press
【▼】
to increasing it toP1;
Release button【▼】system alternately displaysP1and**;
When displaying**〗,press【▲】and【▼】to regulate its value as10;
Release buttonsystem alternately displaysP1and10;
At the moment when system displays P1〗,Simultaneously press【▲】and【▼】system will save modified datum
for future use. This moment, system displaysPn for 1 second. System operation parameters modification is completed.
7. Implication of parameter P
Normallyit is unnecessary to modify parameter after “P0”. System may
automatically modify them in the course of Autotuning.
Directions of Parameter P0 [System Operation Mode]
Setting
Explanation
Default Setting
Normal Value
00
Normal Operation (Automatically modify by system after autotune.)
01
(Sensor
Positioning)
00
System Auto
Modifying
01
Sensor positioning, system autotuning
09
Options for dealing with abnormality when Selecting”type intelligent
0A
Forcibly set system settings as default values
Directions of Parameter P1 [System Rated Load Setting Mode]
Setting
Explanation
Default Setting
Normal value
01/02
01 -- Select "load layer by layer" self-learning mode;
01
EWD-RL-BSJ3User's manual of technical documents of villa elevator weighing device
Page
10
total
30
Implication of parameters p2p3p4p5[reserved]:
Directions of Parameter P6 [Logic condition Setting Relay“J1”, “J2”, “J3”]
Directions of Parameter P7 [Setting Relay“J1”Operation Range]
Setting
Explanation
Default Setting
Normal Value
00~99
When the load is more than or equal to the amount load ×P 9%, the output
"J1" signal.
10
Set 10%
rated-load action
for "J1"
00~99: action value in 0~99% load action;
Directions of Parameter P8 [Setting Relay“J2”Operation Range]
or
0555
×100kg
02 -- Select "20% load layer by layer" self-learning mode;
** - Select the load setting mode. Do not use it. For example, 10 indicates
that the load is 1000kg. This method may have an error.
(Rated load
Autotuning)
Setting
Explanation
Default Setting
Normal value
Higher Bits
Lower Bits
0017
0- The value ranges
from 0 to 10V
Contact Status
J3
J2
J1
03
(J1,J2 relay actuating
output; J3 break
output;Effective
analog dose 0 ~ 10V)
3
Dynamic
break
Dynamic
closing
Dynamic
closing
EWD-RL-BSJ3User's manual of technical documents of villa elevator weighing device
Page
11
total
30
Setting
Explanation
Default Setting
Normal Value
The same as P7
The same as P7
80 Set "J2" to 80% rated-load action
Directions of Parameter P9 [Setting Relay“J3”Operation Range]
Setting
Explanation
Default Setting
Normal Value
The same as P7
The same as P7
A5 Set "J3" to 105% rated-load action load
Attentions: When selecting not indicated settings, system will not normally operate.
No load auto zeroing parameters PA, PB and PC should be used cautiously because of the cause variety of elevator
no load point drifting. It is recommended for the user to allow or forbid this function according the concrete conditions.
Even if No load auto zeroing operation enabledin the course of elevator periodical maintenanceautotuning operation
of this system should be redone without exception.
Exlanation of Displaying Code:
8. System Normal Operation Code:
J0
J3
J2
J1
No Relay Output
RelayJ3 Output
Relay J2 Output
Relay J1 Output
Default 105% of Rated Load
Default 80% of Rated Load
Default 10% of Rated Load
1. Press the [ ] button to display "HJ " indicates the current car payload. For
example, "HJ0520" indicates that the payload is 0520kg.
2. During the fuzzy compensation period, "0.0." indicates that the compensation is effective,
and "0.1." indicates that the elevator enters the correction area.
EWD-RL-BSJ3User's manual of technical documents of villa elevator weighing device
Page
12
total
30
9. Code for Other Operation and Failures
10. Brief Analysis of Other Conditions
How to do
Display
Indication
Solution
1
FY
System Startup, flashing indicates P0 system parameter setting is not correct.
2
PC
Sensor Resetting
3
PP
Get into the status of operation parameters modification
4
PL
Autotuning No load
parameters
(Still Displaying indicates preparation statusaglimmer displaying
indicates the end of inspection)
5
PH
Autotuning Rated load
parameters
6
LL
Installation and
positioning
Too big
Sensor having no load
7
LH
Too small
Sensor overload
8
Lo
Accurately Position
9
LP
Interior Auto Correction
10
LY
Forcibly skip sensor interior auto correction
11
P*
System Configuration Indication
12
Pn
Saved
13
EA
Saving Failure
Modifying operation parameters again
14
EJ
Without this system setting
Check system settings
15
EH
Applied Overflowing Pressure
Sensor pressure may beyond its withstanding range
16
EL
Applied Insufficient Pressure
Sensor being not pressed
17
EF
Memorizing abnormally
Repeat this operation.
EWD-RL-BSJ3User's manual of technical documents of villa elevator weighing device
Page
13
total
30
1. The working stability of the weighing device is poor, which is mainly manifested in the static condition of the fixed load
elevator, and the output fluctuation is large.
Please check whether the PV power supply meets the requirements of the weighing device.
2. After long-term operation, the no-load zero point of the weighing device has a large deviation?
It may be caused by part of the reasons mentioned in "V and 4". Please set the self-learning mode of the weighing device to
recalibrate, or start the parameter "PE0" to realize the no-load automatic zero clearing function of the weighing device.
3. Poor consistency of floor compensation?
Change the lower value of P4.
4. The same load up and down running on the same layer, weighing results are different?
The drawstring is not even, please adjust; (2) The elevator guide boots are too tight, and the operation friction is large. It
is suggested to adjust or correct the relevant mechanical part to make it run flexibly, and then re-learn the operation of the
weighing device.
5. Weighing device output signal does not change linearly with the load?
Maybe the weighing device sensor is damaged.
6. How to view the current car payload?
Press the [] button during the normal operation of the weighing device. At this time, the weighing device displays HJ
**〗→**O; For example, the display - [HJ] [09] [50] O - indicates that the current payload of the 1000kg
car is 950kg;
If the elevator payload is not 1000 kg, it can be determined by modifying "P1" parameter after the learning operation of the
weighing device is completed; The display data may fluctuate in a small range due to various influences of the external
environment;
EWD-RL-BSJ3User's manual of technical documents of villa elevator weighing device
Page
14
total
30
7. When the elevator is stationary, the weighing signal is normal, but there are abnormal phenomena in the process of
opening and closing the door?
The elevator door dynamic weighing device produces the relative weight deviation of the car. The output signal of the door
opening and closing relay plus the door lock signal can be used to participate in the PM.1~2 locking control of the weighing
device.
8. During the operation of the weighing device, abnormal analog output or repeated reset or abnormal coordination with the
governor occurs?
It may be caused by crosstalk of the power supply of the weighing device. Another set of power supplies should be used to
power the weighing device, or AC/DC 24V/300mA external power supply should be used to power the weighing device.
11. How to re-do the "self-learning" operation of the weighing device ?
Method 1Simultaneously press【▲and【▼】on system control panel to power on. This moment, system aglimmer displays
PP.Keep 15 secondssystem will displayPn.On that occasionall operation parameters reset to default settings.
Method 2Modifying parameter P0=0A will reset system immediately to default status. But for users with specified code, it
is necessary to modify parameter P0 as appointed code. Detailed operation is described in chapter 6.
12. How to adopt 20% rated load for rated load autotune
After system displaying Lomodify parameter“P1=02”.Do no load autotuning operation as described in chapter 6. In the
period of displayingPHload elevator car with a weight equal to 20% of rated load to do rated load autotuning operation.
When operation is finished,L1is displayed.
System Features
13.Working principle of the“EWD-RL-BSJ3”elevator load weighing device
EWD-RL-BSJ3User's manual of technical documents of villa elevator weighing device
Page
15
total
30
With the development of the elevator technology, the elevator load weighing has great effect on the the performance of the
elevator. Higher accuracy,more reliable and more functional elevator load weighing is desperately needed. In the era of the
high development of the sensor and the microcomputer, adopting the high accuracy”disc” load sensor to detect the electric
signal to the change of the car load, meanwhile using the single chip microcomputer to have a scentific processing, to
achieve the working function of the elevator car effective load weighing.
14.Main Characteristic
Adopting direct pressure type ”disc” load weighing device, there is no need to change the pull rod of the tractive rope.
Weighing range is wide (effective load of 500Kg 5500 Kg) high-accuracy position intelligent temperature
compensation.
Inner core consists of highly accurate load sensor and high performance single-chip micro-computer. All
operation parameters can be set on field.
System may do scientific calculation according to mathematical equations with the function of no-load auto
zeroingautomatically modifying measuring error.
With the function of fuzzy compensation to improve the high requirements the elevator to the load signal.
With the ability of load setting under auto tare or the working function of 20% or 100% autotuning rated load, it is
very convenience to the customers.
Adjusting the autotuning at the spot, and it very convenient to do the adjustment.
With the ability to modify the working parameters automatically and fuzzy compensation.
The whole shoot starts from users’ point of vieweasy installation and adjustmentdecreasing users’
additional cost in usehigh ratio of performance to price.
EWD-RL-BSJ3User's manual of technical documents of villa elevator weighing device
Page
16
total
30
16
Technical Specifications
Application Range
Suitable for all traction drive or reel drive villa elevator use (load range depends on the
sensor range).
Landing
Compensation Method
Auto adapting intelligent fuzzy compensation
Sensitivity
Elevator Rated Capacity /200 (5.0kg for 1T load) [This will be affected by the mechanical
properties of the lift]
System Error
0.5(-20~55℃)
Non-linearity
0.5
Output
Mode
Relay
Program
mable
common
signals
2-channel programmable output modes are: No load, light load, semi full
load, heavy load, rated load, overload (customer may set the changing range
freely).
Each channel can be programmed as dynamic Close or Open contact.
Contact Capacity: DC/AC 48V/100mA
Analog
Output
Elevator load "no load ~ amount load", do: 0~10V linear change
Operation Ambient
Temperature
-2055
Relative Humidity
20%90RH
Reaction Time
0.3 senconds
Power Supply
AC/DC24(±10%)V150mA
Install Position
Sensor SectionAt the place of traction rope shackle
Controller SectionControl Cabinet in machineroom. See the attached figure for installing
EWD-RL-BSJ3User's manual of technical documents of villa elevator weighing device
Page
17
total
30
dimensions.
Overall Size
Sensor part: See attachment sensor size diagram; Controller part: See Figure [1]
If the strength exceeds the limit parameters listed above, it may lead to abnormal operation or permanent damage of the
weighing device.
Promise
If this system appears any quality problem of product itself in 1 year after delivery, it will be replaced freely
damage of the
product seal will not be dealt with
For any requirement of special functions, make it out by mail.
Any system abnormality in adjustment or operation, please contact our company directly.
Others:
Technical Support
0086-18092639750 0086-18092639752
Packing List
EWD-RL-BSJ3 Controller
1pcs
Sensors and accessories
1pcs
Φ4×40mm Fastening Screw sets
2sets
User’s Guide
1pcs
Address book::
Xi’AN EXCELLENT ELECTROMECHANICAL CO.,LTD
(029)88416613,
85565714,85568478
7DBlock A, Olympic Building, 14th
Chang An North Road, Xi'an, Shaanxi,
China
(029)85565714-886
710068
EWD-RL-BSJ3User's manual of technical documents of villa elevator weighing device
Page
18
total
30
EWD-RL-BSJ3User's manual of technical documents of villa elevator weighing device
Page
19
total
30
Attched document
Load cell / tension sensor dimensions and installation
1.XCL-Y/3411 load sensor dimensions:
1.1 size (range6KN、12KN
Note: 2 supporting screws per set
Supporting Screw
EWD-RL-BSJ3User's manual of technical documents of villa elevator weighing device
Page
20
total
30
Installation diagram 1 Installation diagram 2
Note: When the user makes the splint, the distance A should equal the distance B.
AB
A
B
70
3-Φ6
均布
2-支
上绳
下绳
传感
11
Φ26
2-M8
头板
Φ
62
3-
Φ
16
均布
3-
Φ
6.5
均布
Φ
26
11
EWD-RL-BSJ3User's manual of technical documents of villa elevator weighing device
Page
21
total
30
2.XCL-YH/5018 load sensor dimensions:
2.1 size (range15KN
2.2 Installation Method
EWD-RL-BSJ3User's manual of technical documents of villa elevator weighing device
Page
22
total
30
3.XCL-Y/5222load sensor dimensions:
3.1 size (range6KN
Compression Bar
3.2 Installation Method
Φ
4
4
7
22
Φ10
Φ52
4-M58
4线
8米
4-M5
GB/70.1-2000
70
100
Φ
25
22
GB/70.1-2000
配2-M5内六方圆柱头螺钉,L=8
9
2-M5
EWD-RL-BSJ3User's manual of technical documents of villa elevator weighing device
Page
23
total
30
Note: When the user makes the splint, the distance A should equal the distance B.
A
B
70
100
25
2-
Φ
9
4-
Φ
9
均布
45
30
Φ
44
压杆
上绳头板
下绳
传感
22
EWD-RL-BSJ3User's manual of technical documents of villa elevator weighing device
Page
24
total
30
4.XCL-ZL/W load sensor dimensions:
4.1 size(range:15KN
Note: During installation, be sure to use Ø6 wire rope to connect the safety ring and secure it on the
support of the tractor, in case the sensor falls off during installation and debugging, to ensure personal
safety!
EWD-RL-BSJ3User's manual of technical documents of villa elevator weighing device
Page
25
total
30
4.2 Installation Method
EWD-RL-BSJ3User's manual of technical documents of villa elevator weighing device
Page
26
total
30
5.XCL-T/A(20)load sensor dimensions:
5.1 size(range:12KN) 5.2 Installation diagram
38
50
2-M10
86
20
5
2-
Φ
8
100
11.5
EWD-RL-BSJ3User's manual of technical documents of villa elevator weighing device
Page
27
total
30
6.XCL-T/B(20) load sensor dimensions:
6.1 size(range:10KN 6.2 Installation diagram
100
86
44
50
20
7
7
2-M10
2-
Φ
6.5
24
18
70
下夹板
上夹板
EWD-RL-BSJ3User's manual of technical documents of villa elevator weighing device
Page
28
total
30
7.XCL-ZL/P2 load sensor dimensions:
7.1 size(range:5KN 8KN) 7.2 Installation diagram
EWD-RL-BSJ3User's manual of technical documents of villa elevator weighing device
Page
29
total
30
8.XCL-ZL/P3 load sensor dimensions:
8.1 size(range:5KN 8KN) 8.2 Installation diagram