Technical File of EWD-RLG-SJ3 Serial Intelligent Elevator Weighing Device [User’s Guide]
Users Guide
EWD-RLG-SJ3
XIAN EXCELLENT ELECTROMECHANICAL CO., LTD
(Version2.0)
Technical File of EWD-RLG-SJ3 Serial Intelligent Elevator Weighing Device [User’s Guide]
Page 2 of 40 April., 2017
Table of Contents
Product Overview
1.Product Appearance and Type Nomination
…………
2.Installing Method and Working Principle
…………
3.Schematic Diagram of the Controller Appearance
…………
4.Schematic Diagram of the Sensor Appearance and Installing Method
…………
A. Standard “Disc type Intelligent Load Sensor
B. Standard Character ”type Intelligent Tension Sensor
C. Standard Character type Intelligent Load Sensor
Installation & Adjustment
5.System Structure and Installation Schematic Diagram
…………
6.Install Method of Sensor and Controller
…………
7.System Adjustment and Explanation (Autotune)
…………
.InitializationSelection of Compensating Method
…………
.Lock the Dead Weight of the Car
…………
.No Load Autotune Operation Mode
…………
.Rated Load Autotune Operation Mode
…………
Implication and Adjustment Method of
the Operation Parameters
8.Adjustment of the System Parameters
…………
9.Explanation of the Meaning of Parameter P
…………
Indicating Code Explanation
10.Explanation of System Normal Operation Code
…………
11.Explanation of the Code of Other Operations and Fault
…………
How To Do?
12..Brief Analysis of Other Status
…………
13.How to repeat the Autotune operation for the system
…………
14.How to do Rated Load Autotune by adopting 20% rated load
…………
System Characteristics
15.Main characteristics
…………
16.Technical Specifications
…………
Promise Others
…………
Attached Drawings
[1][2][3]
…………
Page 26-38
Technical File of EWD-RLG-SJ3 Serial Intelligent Elevator Weighing Device [User’s Guide]
XIAN EXCELLENT ELECTROMECHANICAL CO, Ltd Page 3 of 40
Caution: This system is applicable an elevator with fixed car platform. Before use, be sure to read the following sections carefully.
Note: Under any condition, our part is just responsible for the quality of product in the period of guarantee service.
Declaration: For the reason of technology advancement, our company reserves the right of improving product. As for the relevant technical
parameters, Please refer to the technical handbook delivered with the product.
System Overview
1.Product Appearance and Type Nomination
1)Sensor of XCL-Y/8625XCL-ZL/W/ XCL-T/A
Sensor
Appearance
Notes
For directly connected sensor, default length of the cable supplied with it is 8 meers
Product
Naming
Ordering
Type
XCL-Y/8625
XCL-ZL/W
XCL-T/A
XCL-ZL/P
Sensor
Type
“Disc” type Load
Sensor
Character type Tension
Sensor
Character
type Load
Sensor
Steel band
Sensor
2Controller of EWD-RLG-SJ3
Install at the rope
hitch in
machine-room
EWD-RLG-SJ3
Application Range
Apply to "bottom" fixed elevator, sensor default built-in 8 m cables,
customers can contact with our company custom cable according to the
Technical File of EWD-RLG-SJ3 Serial Intelligent Elevator Weighing Device [User’s Guide]
Page 4 of 40 April., 2017
actual demand actual length.
Controller
Appearance
Product
Naming
Ordering Type
EWD-RLG-SJ3/ XCL-Y/8625
EWD-RLG-SJ3/ XCL-ZL/W
EWD-RLG-SJ3/XCL-T/A
Assorted Sensor
XCL-Y/8625
XCL-ZL/W
XCL-T/A
2.Installing Method and Working Principle of “EWD-RLG-SJ3”
With the constantly development of elevator
technology, the impact of elevator weighing device
on elevator performance can not be neglected. The
requirement of elevator for weighing devices with
high accuracy, high reliability and multi functions
becomes extremely urgent. Presently, the progress of
sensor technology and microcomputer is ceaseless.
With the adoption of highly accurate
intelligent ”tension” or ”load” and “stress” sensors,
the electric signal produced by elevator car load changing is tested and inspected. System sensor
installed at the traction rope hitch: Type“EWD-RLG-SJ3”There is an 8~10-meter-long signal
transmitting cable with the sensor. And the single-chip built-in the controller may do scientific
Technical File of EWD-RLG-SJ3 Serial Intelligent Elevator Weighing Device [User’s Guide]
XIAN EXCELLENT ELECTROMECHANICAL CO, Ltd Page 5 of 40
calculations fulfilling the aim of weighing the effective load in elevator car.
3.Illustration of the Appearance of Controller:
4.Illustration of the Appearance of Sensor and Install Method
A:XCL-Y/8625 “Disc”type load sensor size drawing and installationsee the attached sheet 1.1and1.2)
B:XCL-ZL/W 王” type load sensor size drawing and installationsee the attached sheet2.1.1;2.1.2 and 2.2)
C:XCL-T/A
一”
type load sensor size drawing and installation
see the attached sheet
3.1.1;3.1.2 and 3.2)
Technical File of EWD-RLG-SJ3 Serial Intelligent Elevator Weighing Device [User’s Guide]
Page 6 of 40 April., 2017
5.Description of the System Controller Terminals
Technical File of EWD-RLG-SJ3 Serial Intelligent Elevator Weighing Device [User’s Guide]
XIAN EXCELLENT ELECTROMECHANICAL CO, Ltd Page 7 of 40
Detailed Explanation of the Controller Terminals
Function
Explanation
PJ
Switching
1
COM of J1~2 Relay
In coordination with Pj.24 to produce effective logic
1.Effec Be programmed as“no
load overload”output signals to
participate in elevator logic control
2.Max loading Capacity
DC/AC 48V/500mA
2
J1 Relay Output Terminal
System Default“J1”No load Output
3
J2 Relay Output Terminal
System Default “J2”Rated load Output
4
COM of J3 Relay
In coordination with Pj.56 to produce effective logic
5
J3 Relay Output Terminal
System Default “J3”Overload Dyn Close Output
6
J3 Relay Output Terminal
System Default “J3”Overload Dyn Open Output
Analog
7
Analog Voltage Output: 0
10V;-10+10V;0+5V
Being used for pre-torque compensation for driving system
8
COM connected to analog common
terminal of speed regulator
PX
5[+]6[-]
Lock output signal control terminal. Be connected in system door lock signal circuit, pay attention to connecting polarity.
PG
To Connect PG to the sensor along with signal cable
PV
System Power Supplying TerminalAC/DC24V200mA
PX
Parameter P5=2
Parameter P5=3
Parameter P5=4
No wiring: system unnecessary of landing
compensation
System may accurately control elevator
floor-by-floor compensation to interpolate the
dead weight floor error caused by cable, rope
and compensation cable
This terminal defaults positive skip of input
signal being effective and the enabling
method of PX3.1~2 PX3.3~4 depends on
parameter ”PD”.
See attached figure for wiring.
1[+]
2[-]
Down leveling signal
( Up leveling Sensor)
Signal of Elevator entering
leveling zone or door zone
Technical File of EWD-RLG-SJ3 Serial Intelligent Elevator Weighing Device [User’s Guide]
Page 8 of 40 April., 2017
3[+]
4[-]
Up leveling sign
al (Down leveling Sen
sor)
Elevator Up traveling Signal
Main floor signal
Absolutely don’t connect the output terminals (except “PV”) of this device to the external power source directly and the
resulted permanent damage to the device is beyond our responsibility.
Attention: As for the input signal of “PX” terminal
a requirement of polarity is needed, PX.1
3 and PM.1 are +”, and
the corresponding circuit voltage should be “DC 12~32V”.
Installation and Adjustment
6.Schematic Diagram for System Construction and Installing Method:
Adjust the traction rope, make its consistent each pull
A. "disc type sensor according to the attached1.2, using "homemade taper sleeve splint"
installed in the elevator car traction taper sleeve parts;
B. "" type sensor according to the attached 2.2, installed in the elevator car traction rope near taper
sleeve parts;
C. "一” type sensor according to the attached"3.2,adopts "homemade taper sleeve splint" installed in
the elevator car traction taper sleeve parts;
Controller part should be installed in the engine room control cabinet, it is best not to close to the
elevator electric control system of transformer, governor and other equipment.In any case, sensor and
controller should be installed far away from the heat source
Connection between sensor and controller, had better not with 110 v and 220 v power supply in the
same wiring slot
Technical File of EWD-RLG-SJ3 Serial Intelligent Elevator Weighing Device [User’s Guide]
XIAN EXCELLENT ELECTROMECHANICAL CO, Ltd Page 9 of 40
The sensor connection port to connect to controller PG, PV according to system needs access to the
power cord at the same time, it is important to note the voltage level
Sure after checked, the system is powered on display controller shall have the corresponding work
1
Install Method of Sensor and Controller:
Adjust traction ropes so that the pull of each rope keeps coincident.
XCL-Y/8625: “Disc” type sensor is installed at the place of the elevator- car-side traction rope shackle
according to Fig. [3A.1] and Fig. [3A.2] with customer-made shackle clamp plate.
XCL-ZL/W: Character type tension sensor is installed at the place of the elevator- car-side traction
rope shackle according to Fig. [3B] and refer to it for more details.
XCL-T/A: Character type load sensor is installed at the place of the elevator- car-side traction rope
shackle according to Fig. [3D] with customer-made shackle clamp plate.
Control Section should be installed in the control cabinet placed in machineroombeing away from
equipments such as the transformer, speed regulator of elevator electric control system. Under any
condition, sensor and controller should be far away from heat source.
It would be better not to put the connecting cable between sensor and controller in the same wire duct
with dynamic power of 110V or 220V.
Connect the sensor wiring terminal to PS terminal of the control, simultaneously, connect power line to
PV according to system requirement. Pay attention to the voltage level.
When no error is inspected, power on the system and the corresponding operation patterns will be
displayed on the control.
7.Adjustment Method and Description of the System ( Autotune Operation)
Technical File of EWD-RLG-SJ3 Serial Intelligent Elevator Weighing Device [User’s Guide]
Page 10 of 40 April., 2017
Technical File of EWD-RLG-SJ3 Serial Intelligent Elevator Weighing Device [User’s Guide]
XIAN EXCELLENT ELECTROMECHANICAL CO, Ltd Page 11 of 40
Technical File of EWD-RLG-SJ3 Serial Intelligent Elevator Weighing Device [User’s Guide]
Page 12 of 40 April., 2017
System adjustment under other conditions
For following reasons, the parameters of this system need re-modifying in the way described above.
1) Elevator car decoration changing causes its dead weight change.
2) Larger unbalance appears among traction ropes.
3) Sensor of weighing device becomes flexible.
4) Overrunning at the top or at the bottom occurs.
Technical File of EWD-RLG-SJ3 Serial Intelligent Elevator Weighing Device [User’s Guide]
XIAN EXCELLENT ELECTROMECHANICAL CO, Ltd Page 13 of 40
Operation Parameters Adjustment and the Implication
8.System Operation Parameters Adjustment (Annotation
* represents for a hexadecimal
value of “09,AF”.)
Simultaneously press andon system control keypad to power on this moment PP will be displayed aglimer, that means
entering operation parameters modifying status.
Release andbuttonssystem will displayP*and**alternately. P*is an indication of system operation parameters
**is the interior data value ofP*.
When displayingP*〗,press】,indication of system operation increasespress 】,indication decreases.
When displaying**〗,press】,data value increasespress 】,data value decreases.
Release buttonssystem displays operation indication and configuring data alternately.
To modify other configuring datum, repeat the operation in item 3, item 4, and item 5.
At the moment when system displays P*Simultaneously press andsystem will save modified datum for future use. This
moment, system displaysPn for 1 second. System operation parameters modification of this time is completed.
ExampleModify parameter PD to 03(PX.1~2PX.3~4 enabling for low voltage level compensation signal)
Simultaneously press andon system control keypad to power on this moment PP will be displayed aglimer, that means
entering modifying status.
Release andbuttonssystem will displayP0and**aglimer
When displayingP0〗,pressto increasing it toPD〗;
Release button】,system alternately displaysPDand**.
When displaying**〗,press andto regulate its value as03.
Release buttonsystem alternately displaysPDand03.
At the moment when system displays PHSimultaneously pressandsystem will save modified datum for future use. This
moment, system displaysPn for 1 second. System operation parameters modification is completed.
Technical File of EWD-RLG-SJ3 Serial Intelligent Elevator Weighing Device [User’s Guide]
Page 14 of 40 April., 2017
9.Implication of parameter PNormallyit is unnecessary to modify parameter after “P0”. System may
automatically modify them in the course of Autotuning.
Directions of Parameter P0 [System Operation Mode]
Setting
Explanation
Default Setting
Normal Value
00
Normal Operation (Automatically modify by system after autotune.)
01
(Sensor Positioning)
00
System Auto
Modifying
01
Sensor positioning, system autotuning
09
Options for dealing with abnormality when Selecting“”type intelligent sensor.
0A
Forcibly set system settings as default values
Directions of Parameter P1 [System Rated Load Setting Mode]
Setting
Explanation
Default Setting
Normal Value
01/02
0555
×100Kg
01— Select“Rated load, floor by floor” Autotune
02— Select“20% Rated load, floor by floor Autotune
**—Select rated load setting mode(Not Recommended)Example
“10”means rated load of 1000Kg. There is a certain error in this
method.
Note
This mode is just for type “D” sensor.
01
(Rated load Autotuning)
Directions of Parameter P2 [The Highest Elevator Landing Setting Mode](Automatically modify them in the course of Autotuning by system)
Setting
Explanation
Default Setting
Normal Value
0132
Setting elevator landingsSelection of 01 means ceasing floor
compensation function. Input signal of PX is ineffective this time.
A0(landings)
System automatically
modifies them in the
course of Autotuning.
Directions of Parameter P3 [Setting Elevator Shutdown at Main Floor]
Technical File of EWD-RLG-SJ3 Serial Intelligent Elevator Weighing Device [User’s Guide]
XIAN EXCELLENT ELECTROMECHANICAL CO, Ltd Page 15 of 40
Setting
Explanation
Default Setting
Normal Value
0119
Higher Bits
Lower Bits
0—“PX.5~6” effective for Low Voltage Level
1—“PX.5~6” effective for High Voltage Level
Setting elevator main floor.
ExampleSelecting 2 means
there is a basement floor for
this elevator.
01(landing)
Effective when switched
on, and with the
basement floor is main
floor.
System auto
modification in
fuzzy
compensation
autotuning
Example
Selecting 12 means“PX5~6” effective for Low Voltage
Level and there is a basement floor for this elevator.
Directions of Parameter P4 [Time Parameter for Floor-by-floor Compensation]
Setting
Explanation
Default Setting
Normal Value
0099
Higher Bits
Lower Bits
12
Anti-interference protection time of
each floor is 2.0 seconds Control
Factor of fuzzy compensation is 2.
Anti-interference protection time of
each floor : 0~9×0.5 Second
Control Factor of fuzzy
compensation0~3
0-Not Enabling protection time
Directions of Parameter P5 [Selection of Floor compensation input signal function] (Automatically modify in the period of Autotuning by system)
Setting
Explanation
Default Setting
Normal Value
0003
00
Allow auto deciding
compensation method
01
Disable
02
up/down leveling step
counting control
03
Door zone + running
direction Control
04
Fuzzy
compensation
00
(Auto Measuring)
Auto modified by
system in the
period of Lo
displaying.
Notes:⒈ See Section 1, Chapter 8 and attached drawings for more details
Elevator of serial communication control may use ”03” or ”04’ operation
method. Running direction Signal may be parallel connected to the forward
rotation command signal of the SPECIFIED inverter.
Directions of Parameter P6 [Logic condition Setting Relay“J1”, “J2”, “J3”]
Technical File of EWD-RLG-SJ3 Serial Intelligent Elevator Weighing Device [User’s Guide]
Page 16 of 40 April., 2017
Setting
Explanation
Default
Setting
Normal Value
Higher Bits
Lower Bits
0017
0---Selecting 0~10V
1---
Selecting 10~0V
2---
Selecting -10~10V
3---
Selecting +10~-10V
4---
Selecting 0~+5V
Contact
Status
J3
J2
J1
00
(Relay
Dynamic
Close output
analog output
of 010V is
effective)
0
Dynamic Close
Dynamic Close
Dynamic Close
1
Dynamic Close
Dynamic Close
Dynamic Open
2
Dynamic Close
Dynamic Open
Dynamic Close
3
Dynamic Close
Dynamic Open
Dynamic Open
4
Dynamic Open
Dynamic Close
Dynamic Close
5
Dynamic Open
Dynamic Close
Dynamic Open
6
Dynamic Open
Dynamic Open
Dynamic Close
7
Dynamic Open
Dynamic Open
Dynamic Open
Directions of Parameter P7 [Setting RelayJ1”Operation Range]
Setting
Explanation
Default Setting
Normal Value
00
99
A0~A9
b0~b9
C0~C9
d0~d9
E0~E9
FO~F9
When Load≥ Rated load×P7
%,
“J1”signal is output.
05
Setting J1: actuating
for 05% Rated Load
00~99Actuating for 0~99% rated load
A0~A9Actuating for 100~109% rated load
b0~b9Actuating for 110~119% rated load
C0~C9Actuating for 120~129% rated load
d0~d9Actuating for 130~139% rated load
E0~E9: Actuating for 140~149% rated load
F0~F9: Actuating for 150~159% rated load
Exa
mple
P7=80For effective load of 1Tsystem actuates at 800Kg.
P7=A5For effective load of 1Tsystem actuates at1050Kg.
Technical File of EWD-RLG-SJ3 Serial Intelligent Elevator Weighing Device [User’s Guide]
XIAN EXCELLENT ELECTROMECHANICAL CO, Ltd Page 17 of 40
P7=C5For effective load of 1Tsystem actuates at 1250Kg.
Directions of Parameter P8 [Setting RelayJ2”Operation Range]
Setting
Explanation
Default Setting
Normal Value
The same as
P7
The same as P7:
When load≥Rated Load×P8
%,
output “J2”signal
A0
Setting“J2”, system actuates at
90% rated load
Directions of Parameter P9 [Setting RelayJ3”Operation Range]
Setting
Explanation
Default Setting
Normal Value
The same as
P7
The same as P7:
When load≥Rated Load×P9
%,
output “J3”signal
A5
Setting“J3”, system actuates at
105% rated load
11 Directions of Parameter PA [No-Load Auto Zeroing Time Interval]
Setting
Explanation
Default Setting
Normal Value
00
96
(Hours)
When it reaches the set timesystem will begin the operation of no load zeroing
automatically.
01—— System disables the function of no load auto zeroing.
1296—After system powered on (for 1296 hours)it begins the operation of
inspecting load detaining time, a part of no load zeroing operation.
00(Disable)
12
Directions of Parameter PB [Detaining Time of No-Load Auto Zeroing]
Setting
Explanation
Default Setting
Normal Value
10
90
(Minutes)
After auto zeroing time is reached, system load doesn’t change in this
period and system will allow the beginning of No-Load Auto Zeroing operation.
30(Minutes)
13 Directions of Parameter PC [No load Auto Zeroing Error Range]
Technical File of EWD-RLG-SJ3 Serial Intelligent Elevator Weighing Device [User’s Guide]
Page 18 of 40 April., 2017
Setting
Explanation
Default Setting
Normal Value
0320
()
When conditions of both and being satisfied and the ratio of
present load to the absolute value of original no load is larger than this setting
system begins No load Auto Zeroing operation immediately.
05
(|No load Error| larger
than 5%,System)
14 Directions of Parameter PD [Characteristics of Compensation Terminals]
Setting
Explanation
Default Setting
Normal Value
00~03
PX.1~2
PX.3~4
00
PX.1~2PX.3~4
Effective for High Voltage
Level
00
Effective for High Voltage Level
Effective for High Voltage Level
01
Effective for Low Voltage Level
Effective for High Voltage Level
02
Effective for High Voltage Level
Effective for Low Voltage Level
03
Effective for Low Voltage Level
Effective for Low Voltage Level
15
Directions of Parameter PE [Selection of Sensor Parameters]
Setting
Explanation
Default Setting
Normal Value
80
90
D7D4
D3
D2
D1
D0
0d
Sensor Gain Adjustment
0 3 gain-Levels for
selection
0-Standard Sensor
1-Modification of “Convex” type stress
sensor picking-up abnormality.
RecommendationNormally, users don’t need to adjust this parameter. Any dissidence, contact with
the manufacturer directly.
Attentions:
When selecting not indicated settings, system will not normally operate.
No load auto zeroing parameters PA, PB and PC should be used cautiously because of the cause variety of elevator no
load point drifting. It is recommended for the user to allow or forbid this function according the concrete conditions.
Even if No load auto zeroing operation enabledin the course of elevator periodical maintenanceautotuning operation of
this system should be redone without exception.
Technical File of EWD-RLG-SJ3 Serial Intelligent Elevator Weighing Device [User’s Guide]
XIAN EXCELLENT ELECTROMECHANICAL CO, Ltd Page 19 of 40
Explanation of Displaying Code:
10.System Normal Operation Code:
J0
J1
J2
J3
No Relay Output
RelayJ1 Output
RelayJ2 Output
RelayJ2 Output
Default 5% of Rated Load
Default 90% of Rated Load
Default 105% of Rated Load
1. Displaying “HJ”when pressingbutton indicates present car effective load. For instance, displaying“HJ0520 ”indicates
the load of 0520.
2. Displaying “.. . when pressing【▼】button or in the course of landing changing indicates present system compensating landing.
Adjusting Personnel may judge whether system compensating landing tracing is right or not by its numerical value. Note: This option
is just for floor-by floor compensation method.
3. Displaying “0.0.”in fuzzy compensation indicates compensation is effective. Displaying 0.1.”indicates elevator entering modifying
zone.
11.Code for Other Operation and Failures
Display Code
Indication
Solution
1
FY
System Startup
2
PC
Sensor Resetting
3
PP
Get into the status of operation parameters modification
4
PL
Autotuning No load parameters
(Still Displaying indicates preparation statusaglimmer
displaying indicates the end of inspection)
5
PH
Autotuning Rated load parameters
6
LL
Installation
and
positioning
Too big Positioning
Sensor having no load
7
LH
Too small Positioning
Sensor overload
8
Lo
Accurately Position
9
LP
Interior Auto Correction
Technical File of EWD-RLG-SJ3 Serial Intelligent Elevator Weighing Device [User’s Guide]
Page 20 of 40 April., 2017
Display Code
Indication
Solution
10
LY
Forcibly skip sensor interior auto correction
11
P*
System Configuration Indication
12
Pn
Saved
13
EA
Saving Failure
Modifying operation parameters again
14
EJ
Without this system setting
Check system settings
15
EH
Applied Overflowing Pressure
Sensor pressure may beyond its withstanding range
16
EL
Applied Insufficient Pressure
Sensor being not pressed
17
EE
No landing of this code
Make certain PC signals abnormality or no load autotuning normal or not
18
EF
Memorizing abnormally
Repeat this operation.
19
ES
Communication Failure
Carefully check wiring between sensor and control.
How to do
12.Brief Analysis of Other Conditions
Bad system Operation Stability with the main indication of large output fluctuation in the condition of fixed load
and elevator motionless
Check if PV power supply source fulfils system requirements?
After long-term of operation, system no load zeroing point appears larger deviation
Please set up the system self-learning mode to calibration,
or startup parameter“PA≠0” to realize the
function of system no load auto zeroing.
System displaying failure code
EE
Incorrect Input signal of terminal PX on the control or unreasonably setting.
When selecting floor indication step counting control methodfloor-by-floor compensation consistency is bad
Technical File of EWD-RLG-SJ3 Serial Intelligent Elevator Weighing Device [User’s Guide]
XIAN EXCELLENT ELECTROMECHANICAL CO, Ltd Page 21 of 40
Whether up or down landing signals or leveling signal is normally wiring
Setting of parameter P5 is
reasonable?
Traveling Up and down with the same load and stopping at the same floor, but the weighing result is different?
1
Lift rope pull is not symmetrical
adjust please.
2
Elevator guide shoes are too tightened
running friction is large. It is recommended to adjust or modify relevant
mechanical part to make it move flexible
then operate the system to autotune again.
System output signal doesn’t change linearly along with load
Maybe system sensor is damaged.
How to descry present effective load of elevator car
1
In the period of system normal operation, press button
.This moment, system displays
HJ
**
**
.For example
displaying
HJ
09
50
indicates a car with rated load of 1000 Kg presently
bearing an effective load of 950Kg.
2
If elevator effective load is not 1000 Kg
it may be decided after system autotuning operation is finished by
modifying parameter“P1”.
3
Because of various impacts from outer environment
displayed data may fluctuate in a small scope.
When elevator is motionless, weighing signal is normal. But in the course of door opening, it is abnormal
During system operation, analog output is abnormal, repeatedly resetting or abnormal coordination with speed regulator
May be caused by crossing and interfering system power source. Select another set of power source to supply
power to system
or equip AC/DC 24V/300mA exterior power source to supply power.
13.How to Repeat doing Autotune operation for system?
Method 1Simultaneously press【▲】and 【▼】on system control panel to power on. This moment,
system aglimmer displaysPPand P-.Keep 10 secondssystem will displayPn.On
that occasionall operation parameters reset to default settings.
Technical File of EWD-RLG-SJ3 Serial Intelligent Elevator Weighing Device [User’s Guide]
Page 22 of 40 April., 2017
Method 2Modifying parameter P0=0A will reset system immediately to default status. But for
users with specified code, it is necessary to modify parameter P0 as appointed code. Detailed operation is
described in chapter 8.
14.How to adopt 20% rated load for rated load autotune
After system displayingLomodify parameter“P1=02”.Do no load autotuning operation as described
in chapter 7. In the period of displayingPHload elevator car with a weight equal to 20% of rated load
to do rated load autotuning operation. When operation is finished,L1is displayed.
System Features
15.Main Characteristic
Selecting super thin “Disc” type intelligent load sensor
it is capable of directly inspecting elevator car load change
unnecessary to change the pull rod of traction rope shackle
Weighing range is wide (effective load of 500Kg 5500 Kg) high-accuracy position intelligent temperature
compensation.
Electric property complies with the requirements of International Electro-technical Commission
IEC
”Standard.
Inner core consists of highly accurate load sensor and high performance single-chip micro-computer. All operation
parameters can be set on field.
Auto on-site measuring of various compensation methods, boosting requirement of high accuracy weighing signal of
elevator system.
System may do scientific calculation according to mathematical equations with the function of no-load auto zeroing
automatically modifying measuring error.
Technical File of EWD-RLG-SJ3 Serial Intelligent Elevator Weighing Device [User’s Guide]
XIAN EXCELLENT ELECTROMECHANICAL CO, Ltd Page 23 of 40
Directly displaying present effective load. Some types may directly measure dead weight of elevator car for the benefit
of users.
Field adjustment may select 20% or 100% rate load autotuning method or load setting methodbeing easily adjusted
and operated.
Independent development of the method of Programmable Output Signal Control is suitable for all the requirement
of traction elevators with various kinds of fixed car platform.
Having the function of operation parameters auto modificationauto accommodation to multi methods of intelligent
floor compensation functionbeing applicable to traction elevators of less than 30 landings.
Distinctive design structure of sensor+ controller, only 2 connecting wires between sensor and controller making
wiring simply.
The whole shoot starts from users’ point of vieweasy installation and adjustmentdecreasing users’ additional cost in
usehigh ratio of performance to price.
16.Technical Specifications
Application
Being applicable to all traction elevators fixed car platform (less than 60 landings)
with the load of 500 ㎏~5000 .
Floor
Compensation
Auto accommodating to the following compensation methods:
Up and Down leveling;
Up
command + door zone;
Fuzzy and intelligent.
Sensitivity
Elevator Rated Capacity/200 (Example The rated capacity is 1000 , and the
sensitivity is 5 ) [This data may be affected by elevator mechanical performance.]
System Error
≤0.5(540)
Non-Linearity
≤0.5
Compensation
The method of circuit parallel connection is applicable to the signal source system
Technical File of EWD-RLG-SJ3 Serial Intelligent Elevator Weighing Device [User’s Guide]
Page 24 of 40 April., 2017
of DC12~32V.Also, the interior fault of this system doesn’t affect the original
operation mode of elevator.
Output
Mode
R
el
ay
Programmable
universal signal
3-channel programmable output modes are: No load,
light load, semi full load, heavy load, rated load, and
overload (customer may set the changing range freely).
Each channel can be programmed as dynamic Close or
Open contact.
Contact Capacity: DC/AC 48V/100mA
Analogue quantity
Overall Compensation Range 0 10V, -10V +10V,
0V+5V
Ambient Temperature
Temperature-2055
Relative Humidity
20%
90
RH
Reaction Time
≤0.5SecondThe communication distance between the intelligent and the control is 0~400m.
Power Supply
AC/DC24(±10%)V200mA
Installation Place
Sensor SectionAt the place of traction rope shackle
Controller SectionControl Cabinet in machineroom. See the figure 3 for installing dimension.
Overall Size
Sensor SectionSee the attached sheet
Controller Section
115×90×40 mm
3
The intension exceeding the limit parameters listed above may result in the abnormality or permanent damage to the system.
Promise
If this system appears any quality problem of product itself in 1 year after delivery, it will be
replaced freely
damage of the product seal will not be dealt with
For any requirement of special functions, make it out by mail.
Any system abnormality in adjustment or operation, please contact our company directly.
Technical File of EWD-RLG-SJ3 Serial Intelligent Elevator Weighing Device [User’s Guide]
XIAN EXCELLENT ELECTROMECHANICAL CO, Ltd Page 25 of 40
Others:
Packing List
XCL-Y/8625Intelligent “Disc” type
load sensor
1Set
XCL-ZL/W:Intelligent Character
tension sensor
1set
Sensor Auxiliary Support
1Piece
M10×35mm Fastening Screw sets
6 sets
XCL-T/A:Intelligent Character
”load sensor
1 set
EWD-RLG-SJ3 controller
1set
M10×35mm Fastening Screw sets
2 sets
Φ4×40mm Fastening Screw sets
4set
s
Address book
Xi’AN EXCELLENT ELECTROMECHANICAL CO.,LTD
(029)8841661318092639750
18092639752
7DBlock A, Olympic Building, 14th Ch
ang An North Road, Xi'an, Shaanxi,China
Technical File of EWD-RLG-SJ3 Serial Intelligent Elevator Weighing Device [User’s Guide]
Page 26 of 40 April., 2017
Φ
68
25
10
22
4-
Φ
14
4-M10
Φ
86
Φ
20
Attched document
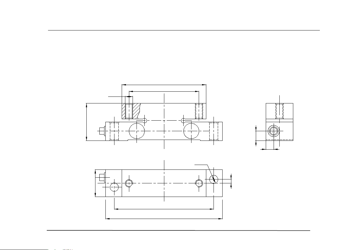
Load sensor dimensions and installation
1. XCL-Y/8625 loading Sensor size and installation method
1.1 size (range:1.2T2.2T3T 4T 5T 7T )
Technical File of EWD-RLG-SJ3 Serial Intelligent Elevator Weighing Device [User’s Guide]
XIAN EXCELLENT ELECTROMECHANICAL CO, Ltd Page 27 of 40
Bar size chart
1.2 install method
Technical File of EWD-RLG-SJ3 Serial Intelligent Elevator Weighing Device [User’s Guide]
Page 28 of 40 April., 2017
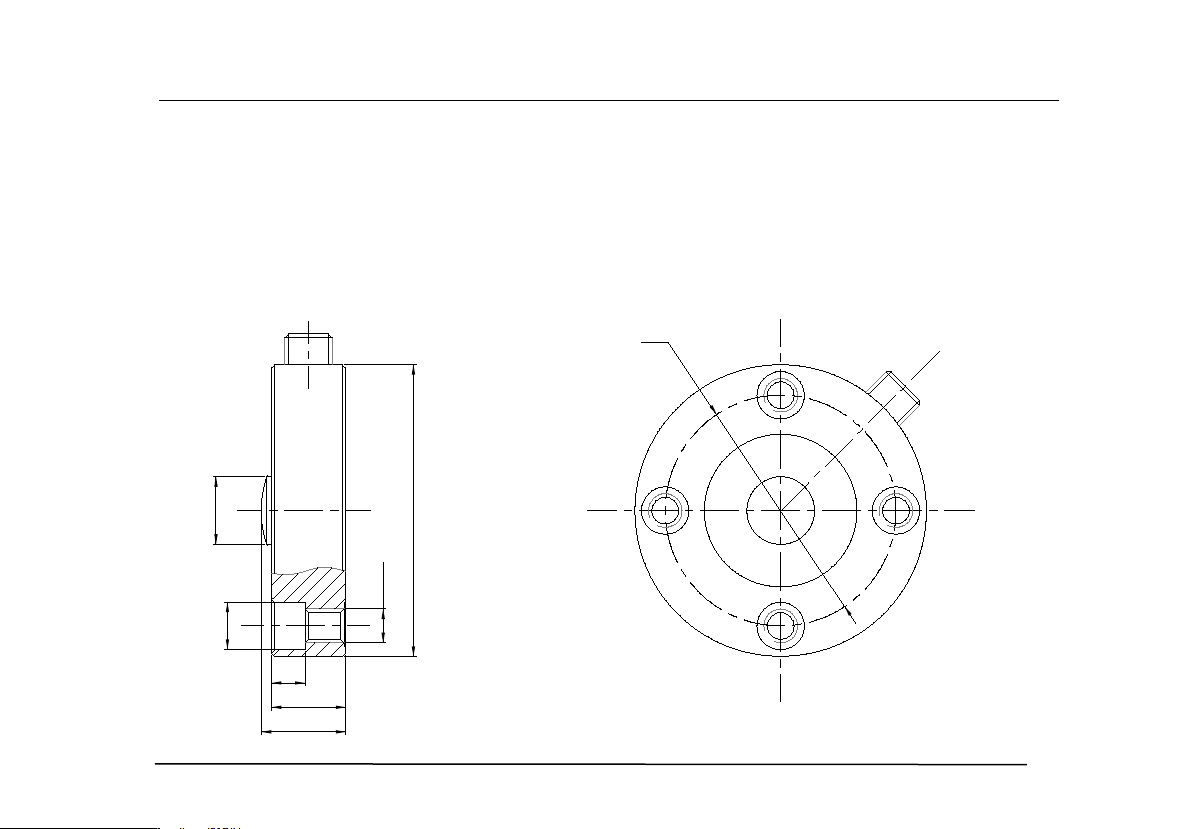
2. XCL-ZL/W Standard character tension sensor size and installation
method
2.1 Size of load sensor
2.1.1 The range is 2T size
Note: the installation must use θ6 wire rope link
safety ring and solid in the tractor nail to prevent
the elevator installation and commissioning when the
sensor off, to confirm personal safety.
Technical File of EWD-RLG-SJ3 Serial Intelligent Elevator Weighing Device [User’s Guide]
XIAN EXCELLENT ELECTROMECHANICAL CO, Ltd Page 29 of 40
2.1.2 The range is 5T size.
Note: the installation must use θ6 wire rope link
safety ring and solid in the tractor nail to prevent
the elevator installation and commissioning when the
sensor off, to confirm personal safety.
Technical File of EWD-RLG-SJ3 Serial Intelligent Elevator Weighing Device [User’s Guide]
Page 30 of 40 April., 2017
2.2 installation method
Technical File of EWD-RLG-SJ3 Serial Intelligent Elevator Weighing Device [User’s Guide]
XIAN EXCELLENT ELECTROMECHANICAL CO, Ltd Page 31 of 40
8
25
150
12.5
90
2-M10
41
120
2-
Φ
8
5
12.5
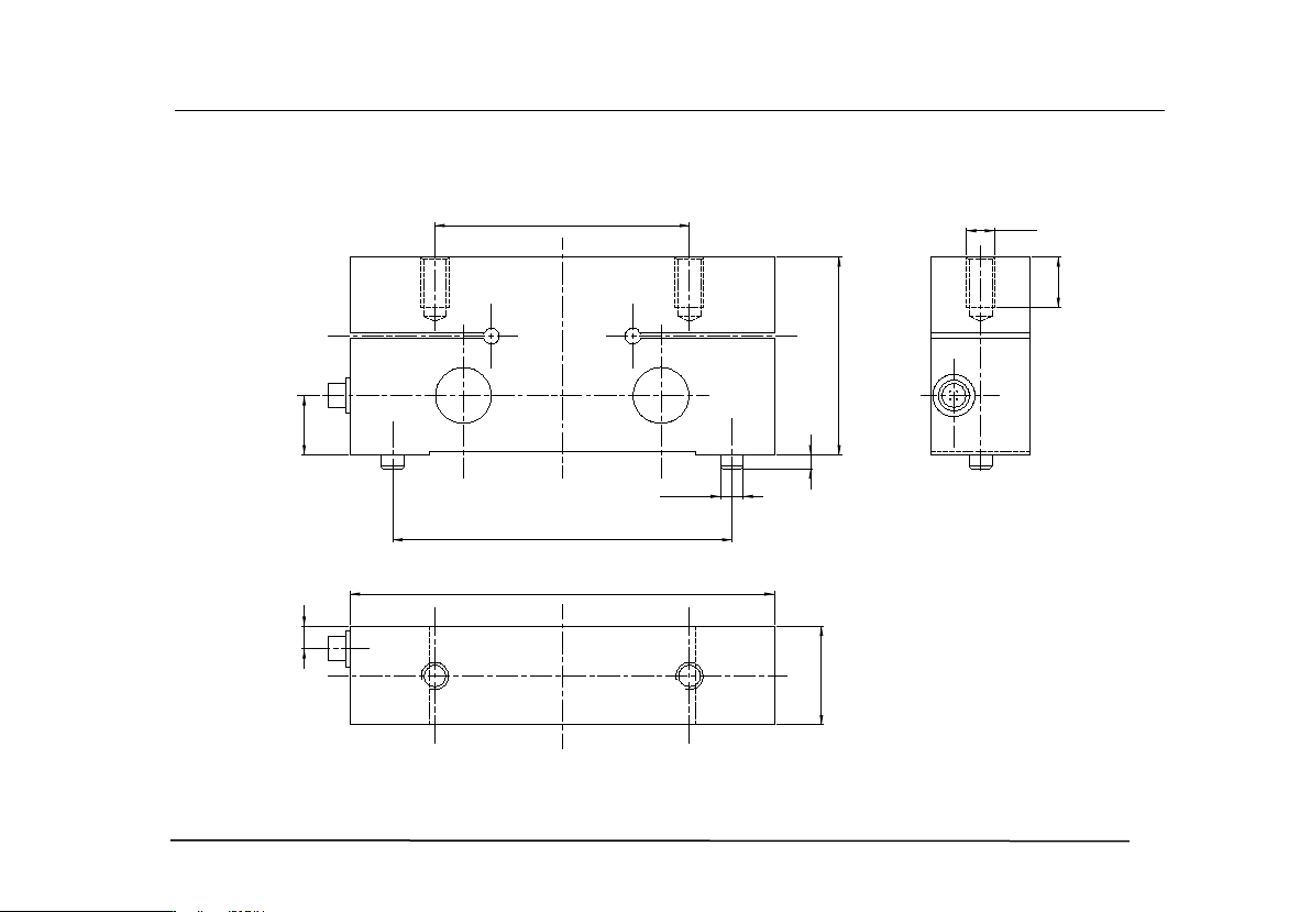
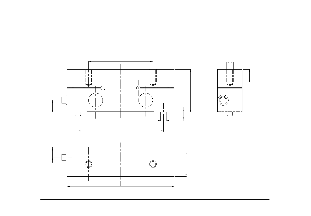
3.XCL-T/A Standard character
load sensor size and installation method
3.1 load sensor size
3.1.1 the rang is 1T
1.5T size
Technical File of EWD-RLG-SJ3 Serial Intelligent Elevator Weighing Device [User’s Guide]
Page 32 of 40 April., 2017
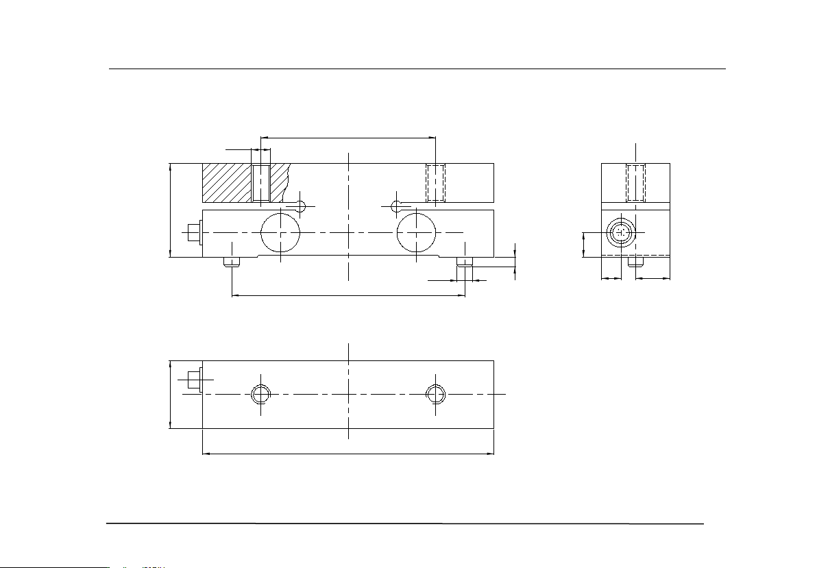
3.1.2 the rang is 3T5T size
35
150
12.5
90
48
10
120
17.5
5
2-
Φ
8
2-
M
10
Technical File of EWD-RLG-SJ3 Serial Intelligent Elevator Weighing Device [User’s Guide]
XIAN EXCELLENT ELECTROMECHANICAL CO, Ltd Page 33 of 40
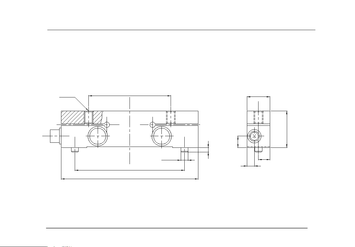
3.1.3 the rang is 7T10T size
150
35
120
60
90
2-M10
18
5
2-
Φ
8
178
Technical File of EWD-RLG-SJ3 Serial Intelligent Elevator Weighing Device [User’s Guide]
Page 34 of 40 April., 2017
3.1.3 the rang is 15T size
150
35
120
70
90
2-M10
18
5
2-
Φ
8
218
Technical File of EWD-RLG-SJ3 Serial Intelligent Elevator Weighing Device [User’s Guide]
XIAN EXCELLENT ELECTROMECHANICAL CO, Ltd Page 35 of 40
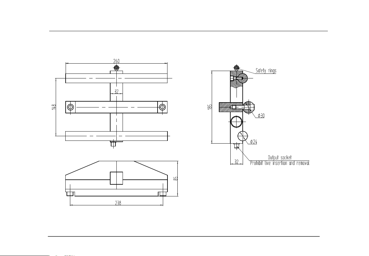
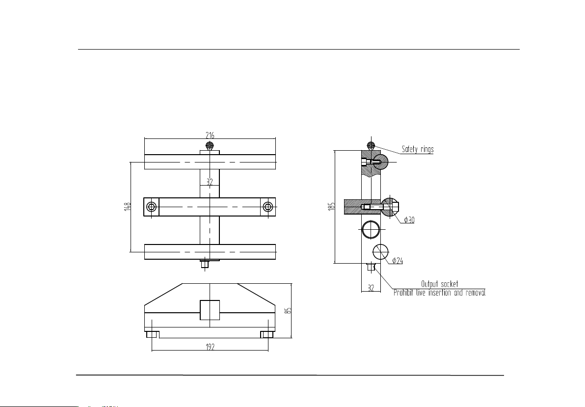
3.2 installation method
Technical File of EWD-RLG-SJ3 Serial Intelligent Elevator Weighing Device [User’s Guide]
Page 36 of 40 April., 2017
150
128
108
90
48
35
5
2-Φ11
10
12.5
2-M10
4.XCL-T/B Standard character load sensor size and installation method
4.1 load sensor size
4.1.1 the rang is 3T
5T size
Technical File of EWD-RLG-SJ3 Serial Intelligent Elevator Weighing Device [User’s Guide]
XIAN EXCELLENT ELECTROMECHANICAL CO, Ltd Page 37 of 40
4.1.2 the rang is 7T10T size
150
35
60
90
2-M10
17
8
128
5
2-
Φ
11
108
18
Technical File of EWD-RLG-SJ3 Serial Intelligent Elevator Weighing Device [User’s Guide]
Page 38 of 40 April., 2017
4.1.3 the rang is 15T size
150
35
70
108
90
128
5
2-
Φ
11
2-M10
218
18
Technical File of EWD-RLG-SJ3 Serial Intelligent Elevator Weighing Device [User’s Guide]
XIAN EXCELLENT ELECTROMECHANICAL CO, Ltd Page 39 of 40
4.2 installation method
Technical File of EWD-RLG-SJ3 Serial Intelligent Elevator Weighing Device [User’s Guide]
Page 40 of 40 April., 2017
5.XCL-ZL/P3 sensor size and installation method
5.1
the size is 0.5T for every one
5.2
installation method